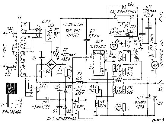
Лабораторный блок питания 0...20 В Под таким заголовком в "Радио",
1998, #5 было опубликовано описание несложного блока питания на микросхемах
серии КР142. Особенностью нового варианта блока является возможность плавной
установки порога ограничения выходного тока от единиц миллиампер до
максимальной величины.

Основное отличие доработанного блока питания
(рис.1) заключается во введении операционного усилителя DA2 и установке
микросхемы стабилизатора отрицательного напряжения -6 В вместо -1.25 В. Пока
выходной ток мал и падение напряжения на токоизмерительном резисторе R2
меньше установленного резистором R3, на выходе 6 ОУ и на входе микросхемы
DA1 (вывод 2) значения напряжения примерно равны, диод VD4 закрыт и ОУ не
участвует в работе устройства. Если падение напряжения на резисторе R2
станет больше, чем на резисторе R3, напряжение на выходе микросхемы DA2
уменьшится, откроется диод VD4 и выходное напряжение блока уменьшится до
значения, соответсвующего установленному ограничению тока. Переход блока в
режим стабилизации тока индицируется включением светодиода HL1.
Поскольку в режиме короткого замыкания выходное
напряжение ОУ должно быть меньше -1.25 В примерно на 2.4 В (падение
напряжения на диоде VD4 и светодиоде HL1), напряжение отрицательного
источника питания ОУ выбрано равным -6 В. Такое значение необходимо при всех
положениях переключателя SA2, поэтому пришлось переключать и вход
выпрямителя VD2, VD3.

Микросхему КР1168ЕН6Б можно заменить на
аналогичную с индексом А, на MC79L06 с индексами BP, CP и ACP, а также на
КР1162ЕН6А(Б) (см. статью: Нефедов А., Валявский А. "Микросхемные
стабилизаторы серии КР1162" в "Радио", 1995, #4), КР1179ЕН06,
AN7906, µA7906, но у них габариты и расстояние между выводами больше
(как у КР142ЕН12А). Цоколевка совпадает. Микросхема К140УД6 заменима на
КР140УД608, К140УД7, КР140УД708. Светодиод может быть любого типа красного
свечения. Резистор R2 - четыре параллельно соединенных С2-29B 2 Ом, 0.125
Вт. К точности его сопротивления никаких требований нет, поэтому резистор
можно изготовить и самостоятельно из отрезка высокоомного провода. Резистор
R12 - СП3-19а. Остальные элементы - те же, что и в основном варианте блока,
аналогично и конструктивное оформление. Чертеж печатной платы приведен на
рис.2.
Сопротивления резисторов R3 и R4 могут отличаться
от указанных на схеме в два раза, важно лишь, чтобы их соотношение было
1:10. Резистор R3 можно также заменить на два последовательно включенных,
причем сопротивление второго должно составлять 5...10% от первого, это
облегчит точную установку тока ограничения.
При настройке блока подборкой резистора R7
устанавливают выходное напряжение 20 В и регулировкой R12 - 0 В. Поскольку
эти операции взаимозависимы, их надо повторить несколько раз.
В режиме стабилизатора тока переключатель SA2
следует устанавливать в положение, соответсвующее минимальному напряжению,
при котором обеспечивается необходимый ток нагрузки. Блок будет
стабилизировать ток и при большем напряжении, но мощность, выделяемая на
микросхеме DA1, превысит предельно допустимую (10...12 Вт), и может
сработать тепловая защита, встроенная в микросхему DA1.
|